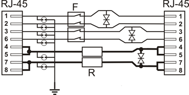
Descriere
Specyfikacja techniczna:
| NAZWA PARAMETRU |
WARTOŚĆ |
| Linia danych | |
|---|---|
| Ilość kanałów |
4 |
| Stopnie ochrony |
3 (ochronnik gazowy, bezpiecznik MOSFET, mostek ochronny) |
| Pojemność linia-linia |
6-8pF @ 0V, 1Mhz |
| Pojemność linia-ziemia |
< 1pF |
| Poziom ochrony linia-linia |
6V-1kV, 20V @ 100A , 8/20uS |
| Poziom ochrony linia-ziemia |
90V-4kV, 2~4kA, 8/20uS |
| Maksmalne napięcie Uc |
6,8V |
| Maksymalna moc 8/20uS (linia-linia) |
2kW |
| Maksymalne napięcie linia-ziemia | 90VDC |
| Rezystancja szeregowa | 6 Ohm |
| Szybkość odsprzęgania | 1uS |
| Poziom izolacji przy zadziałaniu | 650V |
| Linia PoE | |
| Ilość kanałów | 4 |
| Stopnie ochrony | 2 (ochronnik gazowy, transil) |
| Poziom ochrony linia-linia dla PoE 10/1000uS | 600W / 100A, 10/1000uS |
| Maksmalne napięcie Uc dla PoE | 58V |
| Poziom ochrony linia-ziemia | 90V-4kV, 2~4kA, 8/20uS |
| Maksymalne napięcie linia-ziemia | 90VDC |
| Standard pracy PoE | zgodny z IEEE 802.3af typu B |
| Cechy wspólne | |
| Złącze wejściowe |
RJ-45 |
| Złącze wyjściowe | RJ-45 |
| Wyjście uziemiające | Tak |
| Mocowanie | Obudowa |
| Dodatkowe opcje | Wymienne moduły różnych typów, pokrywa ochronna |
| Wymiary | 100 x 75 x 15 (mm) |
| Temperatura pracy | -30~+60°C |









Recenzii
Nu există recenzii până acum.