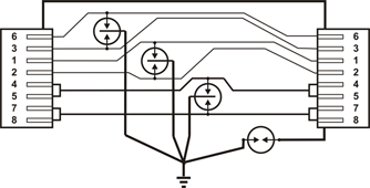
Descriere
Technical Specifications:
| PARAMETER NAME | VALUE |
| Data line | |
|---|---|
| Number of channels | 4 |
| Levels of protection | 2 (air ionizing, protection transil) |
| Capacity line to line | 6-8pF @ 0V, 1Mhz |
| Capacity line to ground | < 1pF |
| Protection level line to line | 6V-1kV, 20V @ 100A , 8/20uS Vc |
| Maximum Uc voltage | 6,8V |
| Maximum power 8 / 20us (line to line) |
2kW |
| PoE line |
|
| Number of channels | 4 |
| Levels of protection | 2 (air ionizing, transil) |
| Protection level line to line for PoE 10/1000uS | 600W / 100A. 10/1000uS |
| Maximum Uc voltage for PoE | 58V |
| Protection level line to ground | 90V-4kV, 2~4kA, 8/20uS |
| Maximum voltage line to ground | 90VDC |
| PoE work standard | Complies with IEEE 802.3af of type B |
| Common features | |
| Input connector (line) | RJ-45 |
| Output connector | RJ-45 |
| Output ground | Yes – for magnetos ionizing |
| Fixing | Inside |
| Additional options | Interchangeable modules of different types, the protective cover |
| Dimensions | 159 x 30 x 70 (mm) |
| Operating temperature | -30~+60°C |









Recenzii
Nu există recenzii până acum.